Cathracha

Roth Mótair 12 Orlach

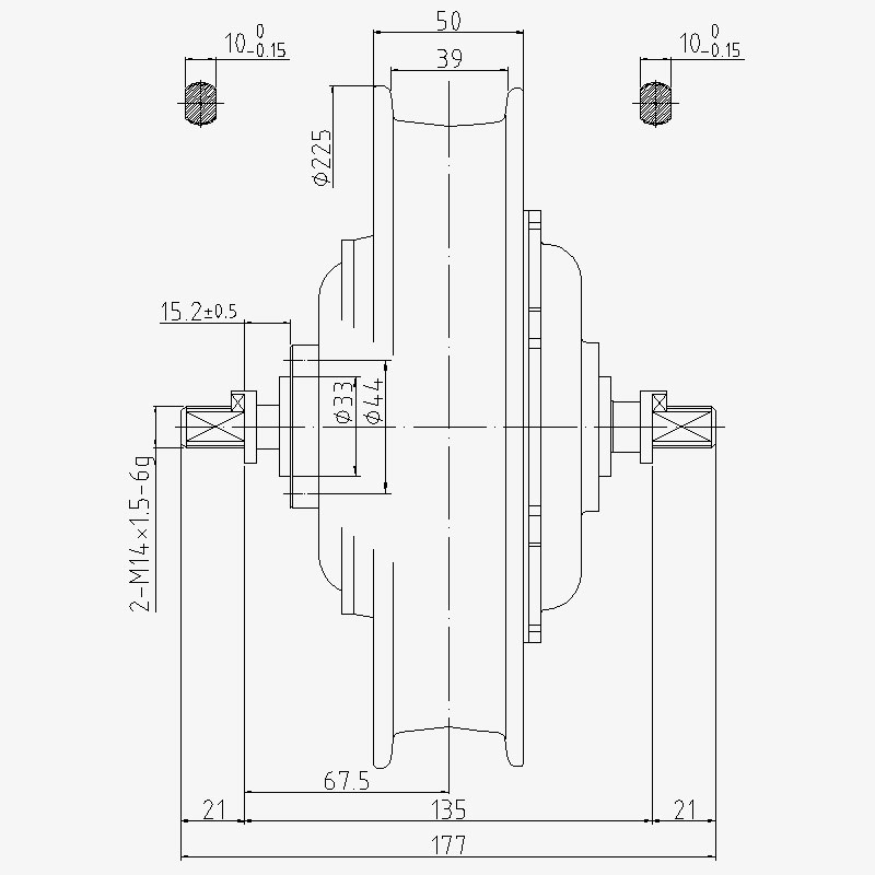
Paraiméadar Eochair
Struchtúr mótair: Voltas Rátáil(V): Cumhacht Rátáilte(W):
/ 36-52 250-350
Buaic-chasmhóiminte(N.m.): Meáchan(KG): SEAN(mm):
45 3.3 /
mioneolas
  • Roth Mótair 12 Orlach
  • Roth Mótair 12 Orlach
Ningbo Yinzhou HENTACH Electromechanical Co., Ltd. Product Parameters Ningbo Yinzhou HENTACH Electromechanical Co., Ltd. Drawing Ningbo Yinzhou HENTACH Electromechanical Co., Ltd. Contact Us

Sonraí Croí

Cumhacht rátáilte 250-350
Voltas rátáilte 36-52
Trastomhas roth 12
Raon luais 25-28
Uaschasmhóiminte 45
Cóimheas Giar 4.43
Meáchan (KG) 3.3

Paraiméadair Suiteála

Coscán coscán diosca
Caiséad braiteoir chasmhóiminte /
Bealach Cábla Taobh Acastóra ar dheis
Labhair poll /
Rátáil uiscedhíonach IP65
Roth cuilteála/sprocket /
Deimhnithe TUV/EN15194/RoHS

Ningbo Yinzhou HENTACH Electromechanical Co., Ltd.
déan teagmháil linn
  • Cuir isteach agus seol
Ningbo Yinzhou HENTACH Electromechanical Co., Ltd.
CAD A SCRÍOBHANN SINN AMACH
  • Roth aon-phíosa 12-orlach, ag blocáil chasmhóiminte suas le 45NM.

  • Giaranna plaisteacha paitinnithe: 5 huaire an chasmhóimint de ghiaranna níolón; saolré níos mó ná 40,000km; iarmhargadh níos ísle

  • Fearas oscailte 135mm, deartha le haghaidh scútar ríomhchathrach.

CÉ MUID Níos mó ná 20 bliain de thaithí táirgeachta.

Ningbo Yinzhou HENTACH Electromechanical Co., Ltd. (Hengtai Motor roimhe seo) Bunaithe i 1995 agus ar a dtugtaí "Hengtai Motor" (ainm Sínis ár gcuideachta), ghlacamar go hoifigiúil an t-ainm Béarla "HENTACH Motor" i 2020. Léiríonn an dá ainm an monaróir iontaofa céanna atá tiomanta do nuálaíocht leictrimheicniúla le breis agus 30 bliain. Ag speisialú i dteilgin agus i bpróiseáil bheachtais ar mhótair DC beaga, ar mhótair mhoil leictreacha/mhótair, agus ar chóimhiotail alúmanam-maignéisiam le haghaidh feithiclí leictreacha, comhcheanglaímid córas rialaithe cáilíochta ISO 9001 dian, cleachtais bhainistíochta aibí, agus trealamh déantúsaíochta / tástála ceannródaíoch chun réitigh iontaofa a sholáthar.

Le cumais ó thús go deireadh a shíneann ó réitigh amhábhar go seachadadh an táirge deiridh, freastalaímid ar mhargaí éagsúla lena n-áirítear rothair leictreacha, feithiclí lasta, AGVanna, gluaisteáin gailf, innealra talmhaíochta, agus cairteáil leictreach. Tá os cionn 60 aonad de threalamh táirgthe chun cinn ar ár gcampas 9,000+ ㎡ (achar tógtha 5,000 ㎡), lena n-áirítear meaisíní réitigh bás 500 tonna, uirlisí meaisín CNC beachtais, córais marcála léasair, línte ocsaídiúcháin micrea-stua, agus dhá bhinse tástála mótair feithiclí leictreacha tiomnaithe. Cinntíonn an bonneagar seo táirgeadh éifeachtach agus comhlíonadh dian le caighdeáin cháilíochta idirnáisiúnta.

Ag HENTACH (Hengtai), tugaimid tús áite d'ábhair ardchaighdeáin agus do theicneolaíocht dhílseánaigh - is teist é ár bhfearas cruach níolón paitinnithe ar ár sármhaitheas san innealtóireacht. Chun marthanacht a bhailíochtú, sheolamar clár ráthaíochta míleáiste uair amháin le haghaidh mótair os cionn 30,000 míle. An toradh? Ní hamháin gur bhain níos mó ná 50 mótar an tagarmharc seo amach ach sháraigh siad é, agus bhain roinnt acu 50,000 míle suntasach amach. Léiríonn an fheidhmíocht fhíorshaol seo ár bhfócas gan staonadh ar iontaofacht agus spreagann sé sinn chun nuálaíocht leanúnach a dhéanamh le haghaidh réitigh mhótair níos cliste agus níos láidre.
Muinín as an mbranda ar a dtugtar ar fud an domhain mar Hengtai Motor agus HENTACH Motor - áit a gcomhlíonann nuálaíocht trealamh cruach paitinnithe marthanacht cruthaithe.

Deimhnithe ag Deimhnithe