R-SHAILL / E-LUACH

S-Type Pro F1500 Front Hub Motor

Tugann an mótar mol tosaigh S-Type Pro F1500, atá deartha le haghaidh rothair E-Carao agus E-Fat, cumhacht rátáilte ó 750W go 1500W agus buaic-chasmhóiminte de 145Nm. Feabhsaítear cumas tarraingthe agus dreapadóireachta íseal-luas sa tír-raon dúshlánach, ag tabhairt aghaidh ar easnaimh chumhachta in iarratais ard-ualaigh. Feistithe le trealamh cruach plaisteach paitinnithe HENTACH - cúig huaire níos láidre ná giaranna níolón - tacaíonn sé le mótair atá rátáilte os cionn 1000W, áit a n-ídíonn giaranna traidisiúnta níolón go tapa faoi chasmhóiminte marthanacha os cionn 100Nm.

Paraiméadar Eochair
Struchtúr mótair: Voltas Rátáil(V): Cumhacht Rátáilte(W):
Mótar Mol Outrunner dírithe 48-60 750-1500
Buaic-chasmhóiminte(N.m.): Meáchan(KG): SEAN(mm):
145 5.5 190
mioneolas
  • S-Type Pro F1500 Front Hub Motor
  • S-Type Pro F1500 Front Hub Motor
Ningbo Yinzhou HENTACH Electromechanical Co., Ltd. Product Parameters Ningbo Yinzhou HENTACH Electromechanical Co., Ltd. Drawing Ningbo Yinzhou HENTACH Electromechanical Co., Ltd. Contact Us

Sonraí Croí

Cumhacht rátáilte 750-1500
Voltas rátáilte 48-72
Trastomhas roth 20-26
Raon luais 25-65
Uaschasmhóiminte 145
Cóimheas Giar 5
Meáchan (KG) 5.5

Paraiméadair Suiteála

Coscán Coscán Diosca
Caiséad braiteoir chasmhóiminte Níl
Bealach Cábla Taobh Acastóra ar Dheas
Labhair poll 2-18-Ф3.5
Rátáil uiscedhíonach IP54(Suas go IP65)
Roth cuil / roth sprocket /
Deimhnithe TUV/EN15194/RoHS

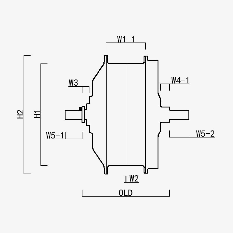
H1/ OD: 157
H2/Motor OD: 183
W1(-1/-2): 60.9
W2: 0
W3: 11
W4(-1/-2): 14.1
W5(-1/-2): 26/30
OLD: 135
Fad Acastóra: 191
Ningbo Yinzhou HENTACH Electromechanical Co., Ltd.
déan teagmháil linn
  • Cuir isteach agus seol
Ningbo Yinzhou HENTACH Electromechanical Co., Ltd.
CAD A SCRÍOBHANN SINN AMACH
  • Mótar tiomáint tosaigh cumhachtach, oscailt fearas 135mm, cumhacht rátáilte suas le 1500w.

  • Fearas cruach plaisteach paitinnithe: 5 huaire an chasmhóimint fearas níolón; saolré níos mó ná 40,000 ciliméadar; iar-díolacháin níos ísle

  • An chasmhóimint stalla suas le 145NM, atá saindeartha le haghaidh efat/Las.

CÉ MUID Níos mó ná 20 bliain de thaithí táirgeachta.

Ningbo Yinzhou HENTACH Electromechanical Co., Ltd. (Hengtai Motor roimhe seo) Bunaithe i 1995 agus ar a dtugtaí "Hengtai Motor" (ainm Sínis ár gcuideachta), ghlacamar go hoifigiúil an t-ainm Béarla "HENTACH Motor" i 2020. Léiríonn an dá ainm an monaróir iontaofa céanna atá tiomanta do nuálaíocht leictrimheicniúla le breis agus 30 bliain. Ag speisialú i dteilgin agus i bpróiseáil bheachtais ar mhótair DC beaga, ar mhótair mhoil leictreacha/mhótair, agus ar chóimhiotail alúmanam-maignéisiam le haghaidh feithiclí leictreacha, comhcheanglaímid córas rialaithe cáilíochta ISO 9001 dian, cleachtais bhainistíochta aibí, agus trealamh déantúsaíochta / tástála ceannródaíoch chun réitigh iontaofa a sholáthar.

Le cumais ó thús go deireadh a shíneann ó réitigh amhábhar go seachadadh an táirge deiridh, freastalaímid ar mhargaí éagsúla lena n-áirítear rothair leictreacha, feithiclí lasta, AGVanna, gluaisteáin gailf, innealra talmhaíochta, agus cairteáil leictreach. Tá os cionn 60 aonad de threalamh táirgthe chun cinn ar ár gcampas 9,000+ ㎡ (achar tógtha 5,000 ㎡), lena n-áirítear meaisíní réitigh bás 500 tonna, uirlisí meaisín CNC beachtais, córais marcála léasair, línte ocsaídiúcháin micrea-stua, agus dhá bhinse tástála mótair feithiclí leictreacha tiomnaithe. Cinntíonn an bonneagar seo táirgeadh éifeachtach agus comhlíonadh dian le caighdeáin cháilíochta idirnáisiúnta.

Ag HENTACH (Hengtai), tugaimid tús áite d'ábhair ardchaighdeáin agus do theicneolaíocht dhílseánaigh - is teist é ár bhfearas cruach níolón paitinnithe ar ár sármhaitheas san innealtóireacht. Chun marthanacht a bhailíochtú, sheolamar clár ráthaíochta míleáiste uair amháin le haghaidh mótair os cionn 30,000 míle. An toradh? Ní hamháin gur bhain níos mó ná 50 mótar an tagarmharc seo amach ach sháraigh siad é, agus bhain roinnt acu 50,000 míle suntasach amach. Léiríonn an fheidhmíocht fhíorshaol seo ár bhfócas gan staonadh ar iontaofacht agus spreagann sé sinn chun nuálaíocht leanúnach a dhéanamh le haghaidh réitigh mhótair níos cliste agus níos láidre.
Muinín as an mbranda ar a dtugtar ar fud an domhain mar Hengtai Motor agus HENTACH Motor - áit a gcomhlíonann nuálaíocht trealamh cruach paitinnithe marthanacht cruthaithe.

Deimhnithe ag Deimhnithe