E-bóthar / E-chathair

Mótar Mol Cúil Saorrothaí HT MINI

Tá an mótar mol HT MINI Thread on Freewheel deartha le haghaidh rothair ríomhchathrach agus bóthair, rud a fhágann go bhfuil sé ar cheann de na mótair mol rotor seachtracha is lú ar an margadh. Tá sé ag luí le córais ceallraí 36V go 48V, ní meáchan ach 1.95kg, agus cuireann sé cumhacht rátáilte 220W le níos mó ná 30Nm de chasmhóiminte. Is féidir leis an mótar teacht suas le 250W le chasmhóiminte stalla de 40Nm. Laghdaíonn a dhearadh rótar seachtrach earráidí carnacha, rud a fheabhsaíonn neart, cobhsaíocht agus marthanacht.

Paraiméadar Eochair
Struchtúr mótair: Voltas Rátáil(V): Cumhacht Rátáilte(W):
Mótar Mol Outrunner 36-48 180-250
Buaic-chasmhóiminte(N.m.): Meáchan(KG): SEAN (mm):
40 1.95(220w) 135
mioneolas
  • Mótar Mol Cúil Saorrothaí HT MINI
  • Mótar Mol Cúil Saorrothaí HT MINI
Ningbo Yinzhou HENTACH Electromechanical Co., Ltd. Product Parameters Ningbo Yinzhou HENTACH Electromechanical Co., Ltd. Drawing Ningbo Yinzhou HENTACH Electromechanical Co., Ltd. Contact Us

Sonraí Croí

Cumhacht rátáilte 180-250
Voltas rátáilte 36-48
Trastomhas roth 20-28
Raon luais 25-38
Uaschasmhóiminte 40
Cóimheas Giar 5
Meáchan (KG) 1. 95(220w)

Paraiméadair Suiteála

Coscán Coscán diosca
Caiséad braiteoir chasmhóiminte Níl
Bealach Cábla Acastóra Láir ar dheis
Labhair poll 2-18-Ф3.2
Rátáil uiscedhíonach IP54(Suas go IP65)
Roth cuil / roth sprocket Rothlach 7-luas
Deimhnithe TUV/EN15194/RoHS

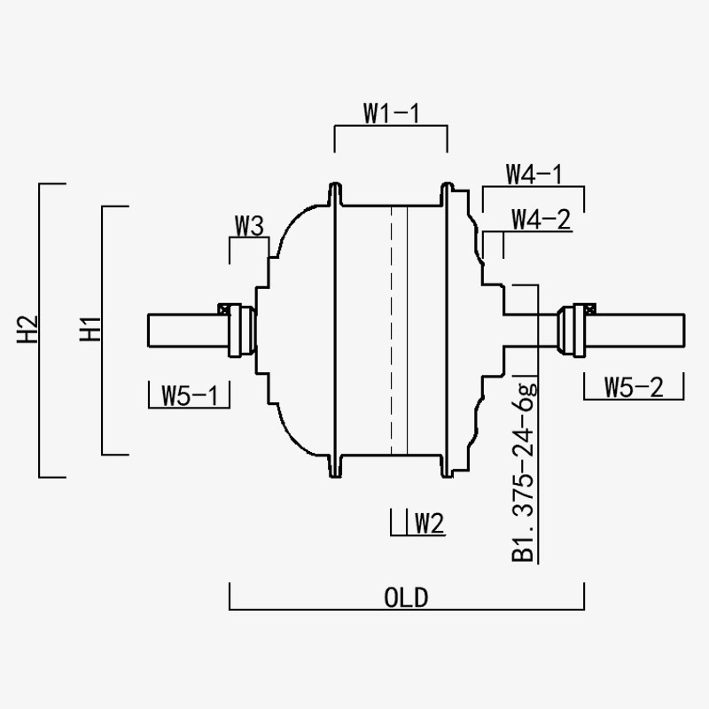
H1/ OD: 95.5
H2/Motor OD: 112.5
W1(-1/-2): 43
W2: 6
W3: 15
W4(-1/-2): 39/9
W5(-1/-2): 31/39
OLD: 135
Fad Acastóra: 205
Ningbo Yinzhou HENTACH Electromechanical Co., Ltd.
déan teagmháil linn
  • Cuir isteach agus seol
Ningbo Yinzhou HENTACH Electromechanical Co., Ltd.
CAD A SCRÍOBHANN SINN AMACH
  • Tá trastomhas seachtrach 95mm ag an mótar, le roth rothlach 7-luas, meáchan ach 1.95kg, mótar rótar seachtrach ultra-éadrom, cumhacht rátáilte de 250w, agus chasmhóiminte stalla suas le 40NM. Comhpháirtí r-rothar.

  • Fearas cruach plaisteach paitinnithe: 5 huaire an chasmhóimint de ghiaranna níolón; saolré níos mó ná 40,000 ciliméadar; iar-díolacháin níos ísle

  • Mótar rotor seachtrach: struchtúr níos cobhsaí ná an rotor istigh, ráta teip níos ísle

CÉ MUID Níos mó ná 20 bliain de thaithí táirgeachta.

Ningbo Yinzhou HENTACH Electromechanical Co., Ltd. (Hengtai Motor roimhe seo) Bunaithe i 1995 agus ar a dtugtaí "Hengtai Motor" (ainm Sínis ár gcuideachta), ghlacamar go hoifigiúil an t-ainm Béarla "HENTACH Motor" i 2020. Léiríonn an dá ainm an monaróir iontaofa céanna atá tiomanta do nuálaíocht leictrimheicniúla le breis agus 30 bliain. Ag speisialú i dteilgin agus i bpróiseáil bheachtais ar mhótair DC beaga, ar mhótair mhoil leictreacha/mhótair, agus ar chóimhiotail alúmanam-maignéisiam le haghaidh feithiclí leictreacha, comhcheanglaímid córas rialaithe cáilíochta ISO 9001 dian, cleachtais bhainistíochta aibí, agus trealamh déantúsaíochta / tástála ceannródaíoch chun réitigh iontaofa a sholáthar.

Le cumais ó thús go deireadh a shíneann ó réitigh amhábhar go seachadadh an táirge deiridh, freastalaímid ar mhargaí éagsúla lena n-áirítear rothair leictreacha, feithiclí lasta, AGVanna, gluaisteáin gailf, innealra talmhaíochta, agus cairteáil leictreach. Tá os cionn 60 aonad de threalamh táirgthe chun cinn ar ár gcampas 9,000+ ㎡ (achar tógtha 5,000 ㎡), lena n-áirítear meaisíní réitigh bás 500 tonna, uirlisí meaisín CNC beachtais, córais marcála léasair, línte ocsaídiúcháin micrea-stua, agus dhá bhinse tástála mótair feithiclí leictreacha tiomnaithe. Cinntíonn an bonneagar seo táirgeadh éifeachtach agus comhlíonadh dian le caighdeáin cháilíochta idirnáisiúnta.

Ag HENTACH (Hengtai), tugaimid tús áite d'ábhair ardchaighdeáin agus do theicneolaíocht dhílseánaigh - is teist é ár bhfearas cruach níolón paitinnithe ar ár sármhaitheas san innealtóireacht. Chun marthanacht a bhailíochtú, sheolamar clár ráthaíochta míleáiste uair amháin le haghaidh mótair os cionn 30,000 míle. An toradh? Ní hamháin gur bhain níos mó ná 50 mótar an tagarmharc seo amach ach sháraigh siad é, agus bhain roinnt acu 50,000 míle suntasach amach. Léiríonn an fheidhmíocht fhíorshaol seo ár bhfócas gan staonadh ar iontaofacht agus spreagann sé sinn chun nuálaíocht leanúnach a dhéanamh le haghaidh réitigh mhótair níos cliste agus níos láidre.
Muinín as an mbranda ar a dtugtar ar fud an domhain mar Hengtai Motor agus HENTACH Motor - áit a gcomhlíonann nuálaíocht trealamh cruach paitinnithe marthanacht cruthaithe.

Deimhnithe ag Deimhnithe