E-lasta

Mótar Mol Cúil P-Type R500

Tá cumhacht rátáilte 500W ag an mótar mol cúil R500 E-Cargo Rothar P-Type R500 atá deartha go háirithe le haghaidh iarratas lasta, ag seachadadh cumhacht láidir agus cobhsaí le haghaidh luchtú tromshaothair agus iompar fad-achair. Cinntíonn sé feidhmíocht éifeachtach agus cobhsaí i gcoinníollacha casta uirbeacha, ar fhánaí, nó nuair a bhíonn sé ualach go hiomlán, ag cur go mór le héifeachtacht lasta. Ina theannta sin, laghdaíonn sé ídiú fuinnimh ar an tír-raon réidh agus ar luasanna níos airde, ag feabhsú éifeachtúlacht rothaíochta foriomlán.

Paraiméadar Eochair
Struchtúr mótair: Voltas Rátáil(V): Cumhacht Rátáilte(W):
Mótar Mol Cúil-Thiomána 36-48 350-500
Buaic-chasmhóiminte(N.m.): Meáchan(KG): SEAN(mm):
50 3.85 160
mioneolas
  • Mótar Mol Cúil P-Type R500
  • Mótar Mol Cúil P-Type R500
Ningbo Yinzhou HENTACH Electromechanical Co., Ltd. Product Parameters Ningbo Yinzhou HENTACH Electromechanical Co., Ltd. Drawing Ningbo Yinzhou HENTACH Electromechanical Co., Ltd. Contact Us

Sonraí Croí

Cumhacht rátáilte 350-500
Voltas rátáilte 36-48
Trastomhas roth 20-26
Raon luais 25-35
Uaschasmhóiminte 50
Cóimheas Giar 5
Meáchan (KG) 3.85

Paraiméadair Suiteála

Coscán Coscán diosca
Caiséad braiteoir chasmhóiminte Níl
Bealach Cábla Acastóra ar Chlé Láir
Labhair poll 2-18-Ф3.2
Rátáil uiscedhíonach IP54(Suas go IP65)
Roth cuil / roth sprocket Rothlach 7-luas
Deimhnithe TUV/EN15194/RoHS

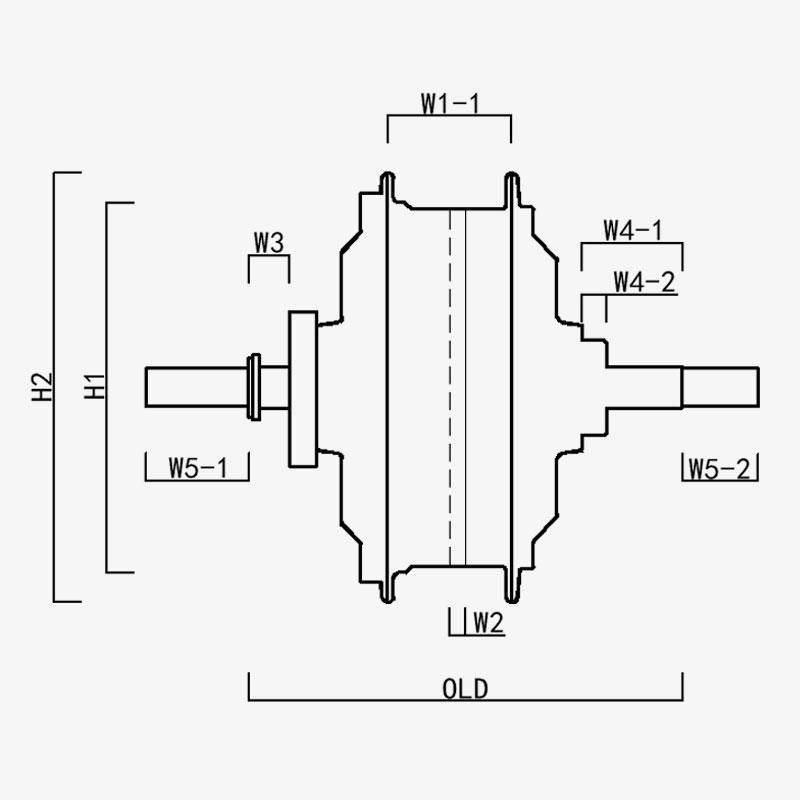
H1/ OD: 136.5
H2/Motor OD: 158.5
W1(-1/-2): 45.5
W2: 6
W3: 15
W4(-1/-2): 37/9
W5(-1/-2): 38/28
OLD: 160
Fad Acastóra: 226
Ningbo Yinzhou HENTACH Electromechanical Co., Ltd.
déan teagmháil linn
  • Cuir isteach agus seol
Ningbo Yinzhou HENTACH Electromechanical Co., Ltd.
CAD A SCRÍOBHANN SINN AMACH
  • Mótar mol cumhachtach cúil atá deartha go sonrach le haghaidh rothair boinn saille le cúnamh leictreach, le roth rothlach 7-luas, oscailt fearas 160mm, agus cumhacht rátáilte suas le 500w.

  • Fearas cruach plaisteach paitinnithe: 5 huaire an chasmhóimint de ghiaranna níolón; saolré níos mó ná 40,000 ciliméadar; iar-díolacháin níos ísle

  • Casmhóiminte stalla de níos mó ná 50NM, deartha go sonrach le haghaidh eCargo.

CÉ MUID Níos mó ná 20 bliain de thaithí táirgeachta.

Ningbo Yinzhou HENTACH Electromechanical Co., Ltd. (Hengtai Motor roimhe seo) Bunaithe i 1995 agus ar a dtugtaí "Hengtai Motor" (ainm Sínis ár gcuideachta), ghlacamar go hoifigiúil an t-ainm Béarla "HENTACH Motor" i 2020. Léiríonn an dá ainm an monaróir iontaofa céanna atá tiomanta do nuálaíocht leictrimheicniúla le breis agus 30 bliain. Ag speisialú i dteilgin agus i bpróiseáil bheachtais ar mhótair DC beaga, ar mhótair mhoil leictreacha/mhótair, agus ar chóimhiotail alúmanam-maignéisiam le haghaidh feithiclí leictreacha, comhcheanglaímid córas rialaithe cáilíochta ISO 9001 dian, cleachtais bhainistíochta aibí, agus trealamh déantúsaíochta / tástála ceannródaíoch chun réitigh iontaofa a sholáthar.

Le cumais ó thús go deireadh a shíneann ó réitigh amhábhar go seachadadh an táirge deiridh, freastalaímid ar mhargaí éagsúla lena n-áirítear rothair leictreacha, feithiclí lasta, AGVanna, gluaisteáin gailf, innealra talmhaíochta, agus cairteáil leictreach. Tá os cionn 60 aonad de threalamh táirgthe chun cinn ar ár gcampas 9,000+ ㎡ (achar tógtha 5,000 ㎡), lena n-áirítear meaisíní réitigh bás 500 tonna, uirlisí meaisín CNC beachtais, córais marcála léasair, línte ocsaídiúcháin micrea-stua, agus dhá bhinse tástála mótair feithiclí leictreacha tiomnaithe. Cinntíonn an bonneagar seo táirgeadh éifeachtach agus comhlíonadh dian le caighdeáin cháilíochta idirnáisiúnta.

Ag HENTACH (Hengtai), tugaimid tús áite d'ábhair ardchaighdeáin agus do theicneolaíocht dhílseánaigh - is teist é ár bhfearas cruach níolón paitinnithe ar ár sármhaitheas san innealtóireacht. Chun marthanacht a bhailíochtú, sheolamar clár ráthaíochta míleáiste uair amháin le haghaidh mótair os cionn 30,000 míle. An toradh? Ní hamháin gur bhain níos mó ná 50 mótar an tagarmharc seo amach ach sháraigh siad é, agus bhain roinnt acu 50,000 míle suntasach amach. Léiríonn an fheidhmíocht fhíorshaol seo ár bhfócas gan staonadh ar iontaofacht agus spreagann sé sinn chun nuálaíocht leanúnach a dhéanamh le haghaidh réitigh mhótair níos cliste agus níos láidre.
Muinín as an mbranda ar a dtugtar ar fud an domhain mar Hengtai Motor agus HENTACH Motor - áit a gcomhlíonann nuálaíocht trealamh cruach paitinnithe marthanacht cruthaithe.

Deimhnithe ag Deimhnithe