E-chathair

C-Cineál R350 Mótar Mol Cúil

Tugann an C-Type R350 Rear Hub Motor, atá deartha le haghaidh r-rothair cathrach, raon cumhachta rátáilte de 250-400W agus tacaíonn sé le snáithe singil nó 7-luas ar Freewheel. Ag luí le córais 36V nó 48V, soláthraíonn sé feidhmíocht chobhsaí le suas le rátáil uiscedhíonach IP65. Tá chasmhóiminte 45Nm ag an mótar agus cuireann sé trealamh cruach plaisteach-phaitinnithe HT marthanacha, atá oiriúnach le haghaidh stadanna go minic agus tosaithe i dtimpeallachtaí uirbeacha agus feidhmchláir r-choscáin.

Paraiméadar Eochair
Struchtúr mótair: Voltas Rátáil(V): Cumhacht Rátáilte(W):
Mótar Mol Cúil-Thiomána 36-48 250-400
Buaic-chasmhóiminte(N.m.): Meáchan(KG): SEAN(mm):
45 3 137
mioneolas
  • C-Cineál R350 Mótar Mol Cúil
  • C-Cineál R350 Mótar Mol Cúil
Ningbo Yinzhou HENTACH Electromechanical Co., Ltd. Product Parameters Ningbo Yinzhou HENTACH Electromechanical Co., Ltd. Drawing Ningbo Yinzhou HENTACH Electromechanical Co., Ltd. Contact Us

Sonraí Croí

Cumhacht rátáilte 250-400
Voltas rátáilte 36-48
Trastomhas roth 20-28
Raon luais 25-38
Uaschasmhóiminte 45
Cóimheas Giar 4.43
Meáchan (KG) 3

Paraiméadair Suiteála

Coscán Coscán diosca
Caiséad braiteoir chasmhóiminte Níl
Bealach Cábla Acastóra Láir ar dheis
Labhair poll 2-18-Ф3.2
Rátáil uiscedhíonach IP54(Suas go IP65)
Roth cuil / roth sprocket Rothlach 7-luas
Deimhnithe TÜV/EN15194/RoHS/UL1004-1

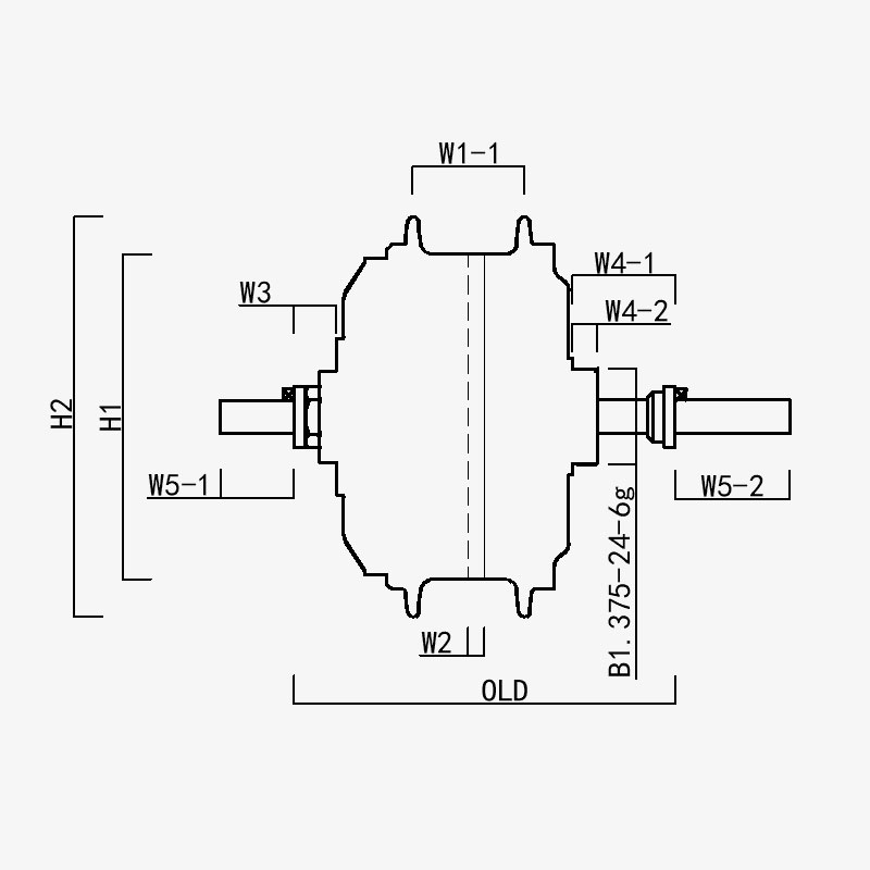
H1/ OD: 117
H2/Motor OD: 144
W1(-1/-2): 40
W2: 5.9
W3: 15.2
W4(-1/-2): 37/9
W5(-1/-2): 26.5/41.5
OLD: 137
Fad Acastóra: 205
Ningbo Yinzhou HENTACH Electromechanical Co., Ltd.
déan teagmháil linn
  • Cuir isteach agus seol
Ningbo Yinzhou HENTACH Electromechanical Co., Ltd.
CAD A SCRÍOBHANN SINN AMACH
  • Níl an meáchan ach 3kg, agus is féidir leis an chasmhóimint stalla 45NM a bhaint amach.

  • Fearas cruach plaisteach paitinnithe: 5 huaire an chasmhóimint fearas níolón; tá an saolré níos mó ná 40,000 ciliméadar; iar-díolacháin níos ísle

  • Feistithe le roth eitilte rothlach 7-luas, le hoscailt giair 137mm, deartha le haghaidh c-city

CÉ MUID Níos mó ná 20 bliain de thaithí táirgeachta.

Ningbo Yinzhou HENTACH Electromechanical Co., Ltd. (Hengtai Motor roimhe seo) Bunaithe i 1995 agus ar a dtugtaí "Hengtai Motor" (ainm Sínis ár gcuideachta), ghlacamar go hoifigiúil an t-ainm Béarla "HENTACH Motor" i 2020. Léiríonn an dá ainm an monaróir iontaofa céanna atá tiomanta do nuálaíocht leictrimheicniúla le breis agus 30 bliain. Ag speisialú i dteilgin agus i bpróiseáil bheachtais ar mhótair DC beaga, ar mhótair mhoil leictreacha/mhótair, agus ar chóimhiotail alúmanam-maignéisiam le haghaidh feithiclí leictreacha, comhcheanglaímid córas rialaithe cáilíochta ISO 9001 dian, cleachtais bhainistíochta aibí, agus trealamh déantúsaíochta / tástála ceannródaíoch chun réitigh iontaofa a sholáthar.

Le cumais ó thús go deireadh a shíneann ó réitigh amhábhar go seachadadh an táirge deiridh, freastalaímid ar mhargaí éagsúla lena n-áirítear rothair leictreacha, feithiclí lasta, AGVanna, gluaisteáin gailf, innealra talmhaíochta, agus cairteáil leictreach. Tá os cionn 60 aonad de threalamh táirgthe chun cinn ar ár gcampas 9,000+ ㎡ (achar tógtha 5,000 ㎡), lena n-áirítear meaisíní réitigh bás 500 tonna, uirlisí meaisín CNC beachtais, córais marcála léasair, línte ocsaídiúcháin micrea-stua, agus dhá bhinse tástála mótair feithiclí leictreacha tiomnaithe. Cinntíonn an bonneagar seo táirgeadh éifeachtach agus comhlíonadh dian le caighdeáin cháilíochta idirnáisiúnta.

Ag HENTACH (Hengtai), tugaimid tús áite d'ábhair ardchaighdeáin agus do theicneolaíocht dhílseánaigh - is teist é ár bhfearas cruach níolón paitinnithe ar ár sármhaitheas san innealtóireacht. Chun marthanacht a bhailíochtú, sheolamar clár ráthaíochta míleáiste uair amháin le haghaidh mótair os cionn 30,000 míle. An toradh? Ní hamháin gur bhain níos mó ná 50 mótar an tagarmharc seo amach ach sháraigh siad é, agus bhain roinnt acu 50,000 míle suntasach amach. Léiríonn an fheidhmíocht fhíorshaol seo ár bhfócas gan staonadh ar iontaofacht agus spreagann sé sinn chun nuálaíocht leanúnach a dhéanamh le haghaidh réitigh mhótair níos cliste agus níos láidre.
Muinín as an mbranda ar a dtugtar ar fud an domhain mar Hengtai Motor agus HENTACH Motor - áit a gcomhlíonann nuálaíocht trealamh cruach paitinnithe marthanacht cruthaithe.

Deimhnithe ag Deimhnithe