Bóthar / E-bóthar

D-TYPE TRÚ Acastóra Mótar Mol Cúil

Níl ach meáchan 2.4kg (caiséad san áireamh) ag an D-TYPE THRU AXLE Rear Hub Motor, atá deartha le haghaidh r-MTBanna agus rothair ríomhbhóthair/Graval (caiséad san áireamh) le hacastóir 148mm trí. Cinntíonn a dhearadh éadrom agus a struchtúr trí acastóra ard-neart agus cobhsaíocht le linn marcaíochta ardluais. Le cumhacht rátáilte de 48V 250W agus os cionn 50Nm de chasmhóiminte stalla, tá sé ag luí le caiséad braiteoir chasmhóiminte, ag soláthar luasghéarú réidh agus feidhmíocht fhreagrach do terrains éagsúla.

Paraiméadar Eochair
Struchtúr mótair: Voltas Rátáil(V): Cumhacht Rátáilte(W):
Mótar Mol Outrunner 36-48 220-250
Buaic-chasmhóiminte(N.m.): Meáchan(KG): SEAN (mm):
>50NM 2.4 (Le Caiséad) 141
mioneolas
  • D-TYPE TRÚ Acastóra Mótar Mol Cúil
  • D-TYPE TRÚ Acastóra Mótar Mol Cúil
Ningbo Yinzhou HENTACH Electromechanical Co., Ltd. Product Parameters Ningbo Yinzhou HENTACH Electromechanical Co., Ltd. Drawing Ningbo Yinzhou HENTACH Electromechanical Co., Ltd. Contact Us

Sonraí Croí

Cumhacht rátáilte 220-250
Voltas rátáilte 36-48
Trastomhas roth 20-28
Raon luais 25-32
Uaschasmhóiminte >50NM
Cóimheas Giar 6.3
Meáchan (KG) 2.4 (Le Caiséad)

Paraiméadair Suiteála

Coscán coscán diosca
Caiséad braiteoir chasmhóiminte
Bealach Cábla Taobh Acastóra ar Chlé
Labhair poll 2-18-Ф3.2
Rátáil uiscedhíonach IP54(Suas go IP65)
Roth cuil / roth sprocket Caiséad 7-12luas/Caiséad 7-12luas
Deimhnithe TUV/EN15194/RoHS

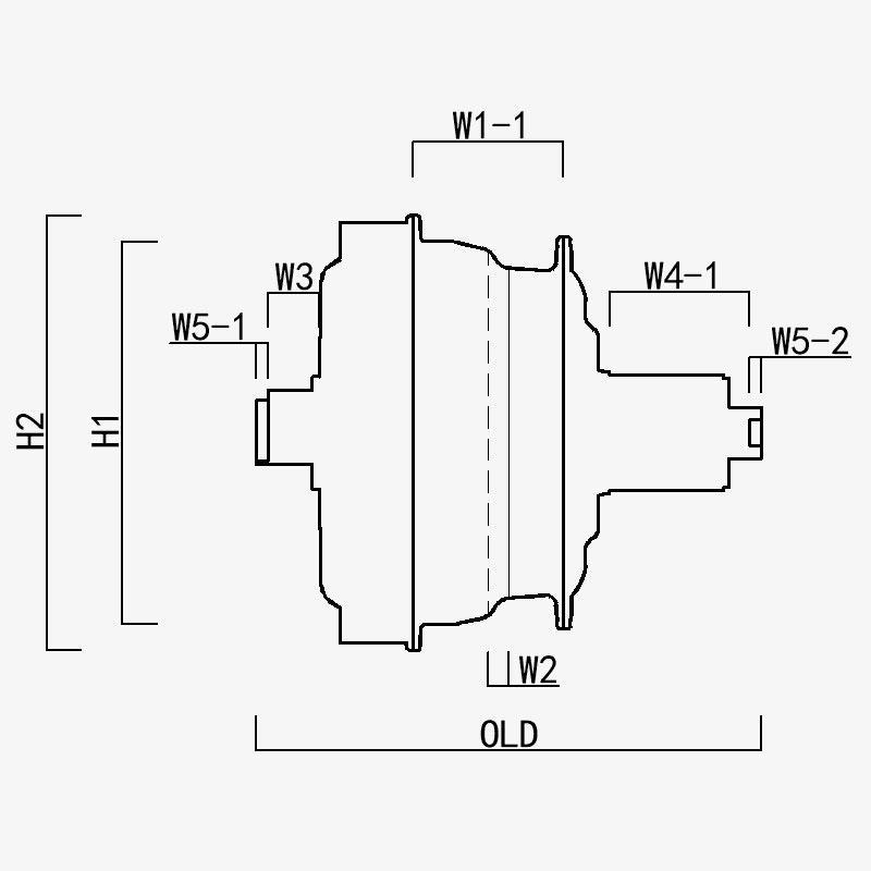
H1/ OD: 112
H2/Motor OD: 128
W1(-1/-2): 44
W2: 6
W3: 15.25
W4(-1/-2): 42.5
W5(-1/-2): 3.5
OLD: 141
Fad Acastóra: 148
Ningbo Yinzhou HENTACH Electromechanical Co., Ltd.
déan teagmháil linn
  • Cuir isteach agus seol
Ningbo Yinzhou HENTACH Electromechanical Co., Ltd.
CAD A SCRÍOBHANN SINN AMACH
  • Fearas cruach plaisteach paitinnithe: 5 huaire an chasmhóimint fearas níolón; saolré níos mó ná 40,000 km; seirbhís iar-díola níos ísle

  • Mótar rotor seachtrach: struchtúr níos cobhsaí agus ráta teip níos ísle i gcomparáid leis an rotor inmheánach

  • Is féidir le struchtúr seafta bairille caighdeánach 10mm, níos éadroime agus níos lú, le hoscailt fearas de 142mm, chasmhóiminte de> 50NM a bhaint amach, an mótar seafta bairille 250w leis an chasmhóimint is mó ar an margadh

CÉ MUID Níos mó ná 20 bliain de thaithí táirgeachta.

Ningbo Yinzhou HENTACH Electromechanical Co., Ltd. (Hengtai Motor roimhe seo) Bunaithe i 1995 agus ar a dtugtaí "Hengtai Motor" (ainm Sínis ár gcuideachta), ghlacamar go hoifigiúil an t-ainm Béarla "HENTACH Motor" i 2020. Léiríonn an dá ainm an monaróir iontaofa céanna atá tiomanta do nuálaíocht leictrimheicniúla le breis agus 30 bliain. Ag speisialú i dteilgin agus i bpróiseáil bheachtais ar mhótair DC beaga, ar mhótair mhoil leictreacha/mhótair, agus ar chóimhiotail alúmanam-maignéisiam le haghaidh feithiclí leictreacha, comhcheanglaímid córas rialaithe cáilíochta ISO 9001 dian, cleachtais bhainistíochta aibí, agus trealamh déantúsaíochta / tástála ceannródaíoch chun réitigh iontaofa a sholáthar.

Le cumais ó thús go deireadh a shíneann ó réitigh amhábhar go seachadadh an táirge deiridh, freastalaímid ar mhargaí éagsúla lena n-áirítear rothair leictreacha, feithiclí lasta, AGVanna, gluaisteáin gailf, innealra talmhaíochta, agus cairteáil leictreach. Tá os cionn 60 aonad de threalamh táirgthe chun cinn ar ár gcampas 9,000+ ㎡ (achar tógtha 5,000 ㎡), lena n-áirítear meaisíní réitigh bás 500 tonna, uirlisí meaisín CNC beachtais, córais marcála léasair, línte ocsaídiúcháin micrea-stua, agus dhá bhinse tástála mótair feithiclí leictreacha tiomnaithe. Cinntíonn an bonneagar seo táirgeadh éifeachtach agus comhlíonadh dian le caighdeáin cháilíochta idirnáisiúnta.

Ag HENTACH (Hengtai), tugaimid tús áite d'ábhair ardchaighdeáin agus do theicneolaíocht dhílseánaigh - is teist é ár bhfearas cruach níolón paitinnithe ar ár sármhaitheas san innealtóireacht. Chun marthanacht a bhailíochtú, sheolamar clár ráthaíochta míleáiste uair amháin le haghaidh mótair os cionn 30,000 míle. An toradh? Ní hamháin gur bhain níos mó ná 50 mótar an tagarmharc seo amach ach sháraigh siad é, agus bhain roinnt acu 50,000 míle suntasach amach. Léiríonn an fheidhmíocht fhíorshaol seo ár bhfócas gan staonadh ar iontaofacht agus spreagann sé sinn chun nuálaíocht leanúnach a dhéanamh le haghaidh réitigh mhótair níos cliste agus níos láidre.
Muinín as an mbranda ar a dtugtar ar fud an domhain mar Hengtai Motor agus HENTACH Motor - áit a gcomhlíonann nuálaíocht trealamh cruach paitinnithe marthanacht cruthaithe.

Deimhnithe ag Deimhnithe